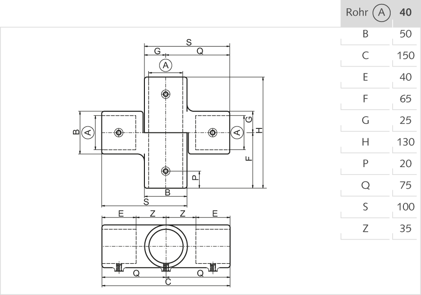
Kreuz-Gelenkstück Aluminium 40mm
Produktnummer:
28-40
Hersteller:
Swissclamp
Gewicht:
0.5 kg
"Kreuz-Gelenkstück Aluminium 40mm"